产品中心 PRODUCT

联系我们

联系人:刘小姐

咨询热线:13410798191

邮箱:admin@lctech-inc.com

地址:广东省深圳市龙华区大浪街道华宁路40号港深创新园C栋213

在线咨询

其他模块

您现在的位置是:主页 > 硬件产品 > 电子模块系列 > 其他模块 >

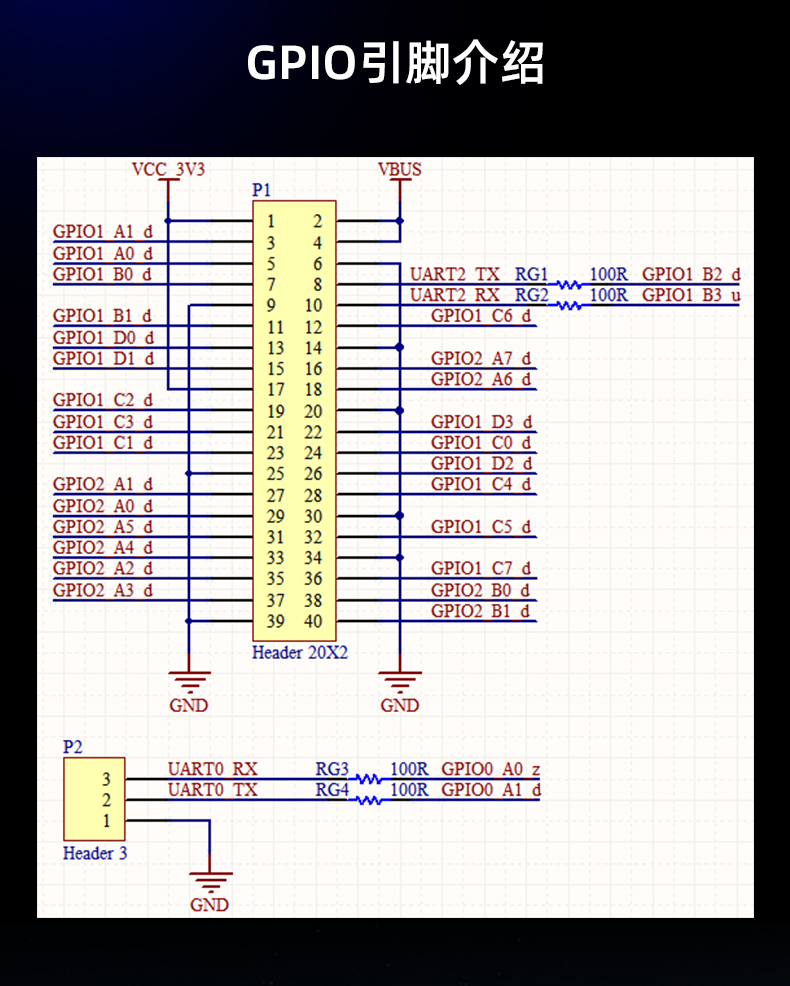
LCKVM 电脑远程控制 运维服务器 瑞芯微RV1106G3开发板

上一篇:USB八路自定义键盘模块 脚踏开关线模块
下一篇:没有了